
傳真:
18923864027
QQ:
709211280
地址:
深圳市福田區振中路84號愛華科研樓7層
一、電阻器(R)簡稱電阻,是指具有一定技術性能的在電路中專起電阻作用的元件,可用來調節電路中的電流和電壓,或者作為電路中的負載。1、
步進電機驅動器技術的開展,從原來國外一枝獨秀到國內各種優秀技術體現,能夠看出國內技術的進步,同時也能夠看出,每一次技術的改造都會帶
開關電源mos管選型MOS管最常見的應用可能是電源中的開關元件,此外,它們對電源輸出也大有裨益。服務器和通信設備等應用一般都配置有多個并
場效應管開關電路圖本文主要引見場效應管的開關電路。場效應管置信大家都很熟習了,由于其開關特性,常常被用到各種電子電路中,但是在電路
一、mos管H橋電路圖1中所示為一個典型的直流電機控制電路。電路得名于H橋驅動電路是由于它的外形酷似字母H。4個三極管組成H的4條垂直腿,而
在逆變器的技術參數中,有一個最大允許接入功率,大局部廠家都是標稱為額定功率的1 1倍到1 2倍,但有些廠家為了顯現本人的超配才能,標稱為
液晶電視機屏驅動板液晶電視機屏驅動板(邏輯板)是由屏廠家和屏配套提供的,屏驅動板又稱為中心控制板,邏輯板等,它的作用是把從數字板送
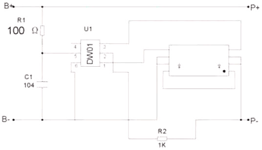
12V鋰電池保護板電路圖12V鋰電池保護板,16串磷酸鐵鋰電池保護板,18650電池維護板,線路板廠在雙面線路板設計時都會優先思索鋰電池保護板
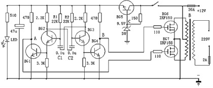
什么是逆變器?逆變器是一種把直流電能(電池、蓄電瓶)轉變成交流電(普通為220伏50HZ正弦波或方波)的安裝。我們常見的應急電源,普通是把直
光伏逆變器拓撲結構與功率器件的展開光伏逆變器作為電力電子技術行業的一個重要分支,其技術進步高度依賴于電子元器件和控制技術的展開。而
步進電機及驅動芯片選型一、步進電機驅動系統性能1)系統常識:步進電機和步進電機驅動器構成步進電機驅動系統。步進電機驅動系統的性能,
一、太陽能LED照明系統構成太陽能LED照明系統的規模和應用形式各異,系統規模跨度很大,小到0 3~2W的草坪燈,大到幾百瓦的太陽能LED高桿燈