AO8814場效應管,AO8814芯片參數,AO8814中文資料引腳圖
AO8814場效應管參數,AO8814芯片電流,AO8814引腳圖,AO8814中文資料PDF
AO8814場效應管參數,AO8814芯片電流,AO8814引腳圖,AO8814中文資料PDF

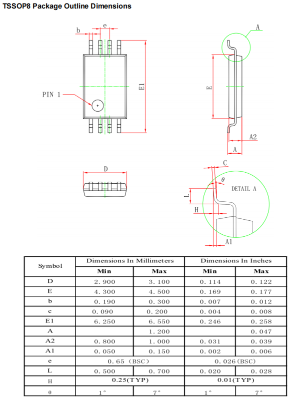
AO8814 TSSOP8封裝參數:點擊查看

AO8814場效應管參數具體如下:
封裝類型:TSSOP8
極性:雙N溝道
極性:雙N溝道
漏極電流:8A
功率耗散:1.63W
反向傳輸電容Crss:150pF
柵極源極擊穿電壓:±12V
擊穿電壓:20V
開啟電壓(VGS(th)):0.5~1.2V
開啟電壓(VGS(th)):0.5~1.2V
存儲溫度:-55℃~+150℃
引腳數:6Pin
導通電阻ID=3.5A,VGS=4.5V:Typ 10mΩ Max 13mΩ
導通電阻ID=3.5A,VGS=2.5V:Typ 13mΩ Max 17mΩ
工作溫度:-55℃~+150℃
安裝類型:SMT
二、作用與應用
AO8814場效應管的核心作用是作為電子開關使用。在電路中,它通過控制柵極電壓來調節漏源路徑上的電流流動,實現對負載的精確控制。由于其出色的電氣性能,AO8814廣泛應用于以下領域:
1.鋰電池充電保護:AO8814常用于鋰電池的充電保護電路,確保電池在充電過程中的安全和穩定。
2.電源管理:在電源管理電路中,AO8814可以作為開關器件,控制電源的分配和轉換,提高能效。
3.便攜式設備:由于其小尺寸和低功耗特性,AO8814非常適合用于便攜式設備中,如智能手機、平板電腦等。
4.負載開關:AO8814可以用作負載開關,控制電機和其他負載的啟停,實現高效的能量管理。
三、封裝特點
AO8814場效應管采用兩種封裝類型:
SOT23-6封裝:圖1展示了SOT23-6封裝的外觀,這種封裝更適用于空間受限的應用,如移動設備和穿戴設備。

TSSOP8封裝:圖2展示了TSSOP8封裝的外觀,這種封裝適用于需要較多引腳和較寬空間的應用場景。


TSSOP8封裝:圖2展示了TSSOP8封裝的外觀,這種封裝適用于需要較多引腳和較寬空間的應用場景。

兩種封裝都因其小尺寸和高密度集成而適用于高密度PCB布局,同時保持了良好的熱性能和電氣性能。這種封裝方式使得AO8814非常適合用于空間受限的應用。
〈烜芯微/XXW〉專業制造二極管,三極管,MOS管,橋堆等,20年,工廠直銷省20%,上萬家電路電器生產企業選用,專業的工程師幫您穩定好每一批產品,如果您有遇到什么需要幫助解決的,可以直接聯系下方的聯系號碼或加QQ/微信,由我們的銷售經理給您精準的報價以及產品介紹
〈烜芯微/XXW〉專業制造二極管,三極管,MOS管,橋堆等,20年,工廠直銷省20%,上萬家電路電器生產企業選用,專業的工程師幫您穩定好每一批產品,如果您有遇到什么需要幫助解決的,可以直接聯系下方的聯系號碼或加QQ/微信,由我們的銷售經理給您精準的報價以及產品介紹
聯系號碼:18923864027
QQ:709211280


