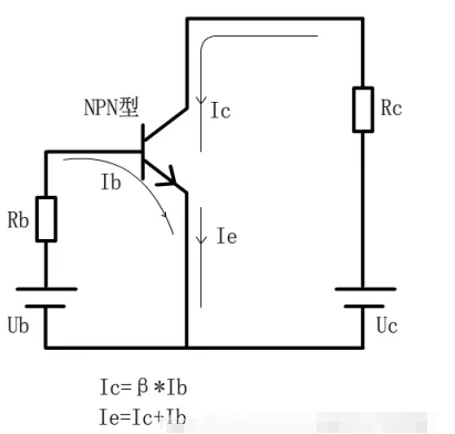
關于三極管的原理,前人之述備矣,本文只強調一點:三極管是電流型放大器件,放大基極電流。
放大是對模擬信號最基本的處理,在實驗和生產過程中,從傳感器獲得的電信號都很微弱,只有經過放大后才能作進一步的處理,或者使之具有足夠的能量來推動執行機構。三極管是放大電路的核心元件,它能夠控制能量的轉換,將輸入的微小信號變化進行放大輸出。

三極管的工作過程中有三種狀態,截止、放大和飽和。當三極管處于截止和飽和狀態下,三極管當作開關器件使用,當三極管處于放大狀態下可以對波形進行放大。此時可以用水管來類比三極管的電流放大原理。

左邊的細管子里藍色的小水流沖動杠桿使大水管的閥門開大,就可以允許較大紅色的水流流過這個閥門。當藍色的水流越大,也就使大管中紅色的水流更大。三極管的原理也和這個一樣,放大倍數為100時,當基極電流Ib為x時,那么集電極電流Ic就是100x。這個100被稱為β,以下是動圖演示。

結合此圖也不難理解截止區和飽和區。水管直徑是有限的,即便閥門全開,水流也不會增大了,就是飽和區。
如果輸入的水流太小,基極與發射極的電壓差太小,連閥門都推不開,就是截止區。
〈烜芯微/XXW〉專業制造二極管,三極管,MOS管,橋堆等,20年,工廠直銷省20%,上萬家電路電器生產企業選用,專業的工程師幫您穩定好每一批產品,如果您有遇到什么需要幫助解決的,可以直接聯系下方的聯系號碼或加QQ/微信,由我們的銷售經理給您精準的報價以及產品介紹
聯系號碼:18923864027(同微信)
QQ:709211280

