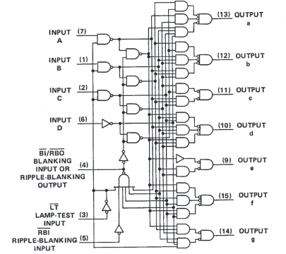
74LS48是一種BCD(二進制編碼數字)轉換器,可將BCD輸入數據轉換為七段顯示器所需的控制信號。它是一種集成電路芯片,廣泛應用于數字電子系統中。
74LS48由多個邏輯門和鎖存器組成。它包含了4個輸入緩沖器(用于輸入BCD碼),1個鎖存器(用于鎖存數據),以及4個輸出驅動器(用于驅動七段LED顯示器)。這些組件結合在一起,實現了從BCD碼到七段LED顯示器的轉換。
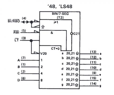
74ls48引腳圖分析


腳(7,1,2,6) A-D; 為輸入, D為高位,為二進制編碼;
腳(13,12,11,10,9,15,14) a-g; 為輸出,高電平有效,分別接共陰極數碼管的a~g引腳;
腳(3)LT; 為燈測試輸入端,低電平有效。LT=0時,數碼管7段同時得到高電平,以檢查數碼管各段功能
腳(5)RBI; 為滅零輸入端,低電平有效。RBI=0時,多位數中不需顯示的0被熄滅;
腳(4)BI/RBO; 為滅燈輸入滅零輸出端,低電平有效。輸入BI=0時,各段全滅;作輸出時,若RBO=0 ,表示將本該顯示卻不需顯示的0熄滅了。
腳(8)GND; 地面
腳(16)VCC; 電源電壓
74ls48真值表


(1)7段譯碼功能(LT=1,RBI=1)
在燈測試輸入端(LT)和動態滅零輸入端(RBI)都接無效電平時,輸入DCBA經7448譯碼,輸出高電平有效的7段字符顯示器的驅動信號,顯示相應字符。除DCBA = 0000外,RBI也可以接低電平,見表1中1~16行。
(2)消隱功能(BI=0)
此時BI/RBO端作為輸入端,該端輸入低電平信號時,表1倒數第3行,無論LT 和RBI輸入什么電平信號,不管輸入DCBA為什么狀態,輸出全為“0”,7段顯示器熄滅。該功能主要用于多顯示器的動態顯示。
(3)燈測試功能(LT = 0)
此時BI/RBO端作為輸出端, 端輸入低電平信號時,表1最后一行,與 及DCBA輸入無關,輸出全為“1”,顯示器7個字段都點亮。該功能用于7段顯示器測試,判別是否有損壞的字段。
(4)動態滅零功能(LT=1,RBI=1)
此時BI/RBO端也作為輸出端,LT 端輸入高電平信號,RBI 端輸入低電平信號,若此時DCBA = 0000,表1倒數第2行,輸出全為“0”,顯示器熄滅,不顯示這個零。DCBA≠0,則對顯示無影響。該功能主要用于多個7段顯示器同時顯示時熄滅高位的零。


74ls48應用電路圖


74LS48系列 的輸入端A B C D是8421碼,D是高位,通過A B C D 的高低電平控制數碼管的顯示,如上圖: A是高電平,B C D 是低電平, 表示十進制“1”,因此數碼管顯示“1”。
〈烜芯微/XXW〉專業制造二極管,三極管,MOS管,橋堆等,20年,工廠直銷省20%,上萬家電路電器生產企業選用,專業的工程師幫您穩定好每一批產品,如果您有遇到什么需要幫助解決的,可以直接聯系下方的聯系號碼或加QQ/微信,由我們的銷售經理給您精準的報價以及產品介紹
聯系號碼:18923864027(同微信)
QQ:709211280

