低通濾波器通過選擇截止頻率來確定一個頻率范圍,在該范圍內保留信號的低頻成分,并抑制高于截止頻率的高頻成分。低通濾波器在音頻處理、圖像處理、通信系統等領域中有廣泛應用。
低通濾波器的作用
低通濾波器主要用于去除信號中高于某個截止頻率的高頻成分,從而平滑信號并抑制噪聲。通過保留低頻成分,低通濾波器能夠提取信號中的基本趨勢和長期變化,對于平滑數據和減少噪聲干擾非常有效。
平滑信號:通過去除高頻噪聲和快速變化的部分,低通濾波器可以使信號更加平滑,減少噪聲干擾,使得信號變化更為連續和穩定。
去除高頻噪聲:高頻噪聲往往包含在信號中的高頻成分中,低通濾波器可以濾除這些噪聲,提高信號的質量和可靠性。
降低功率譜:在頻域中,低通濾波器可以將高頻部分的功率譜降低,從而減小信號的帶寬和能量消耗。
低通濾波電路圖
開關電源--單級低通濾波回路


低通濾波器電路圖二
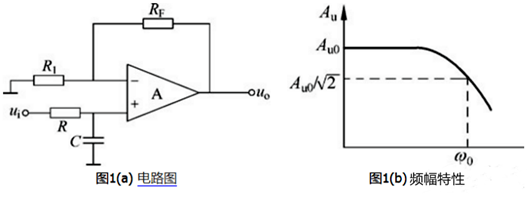
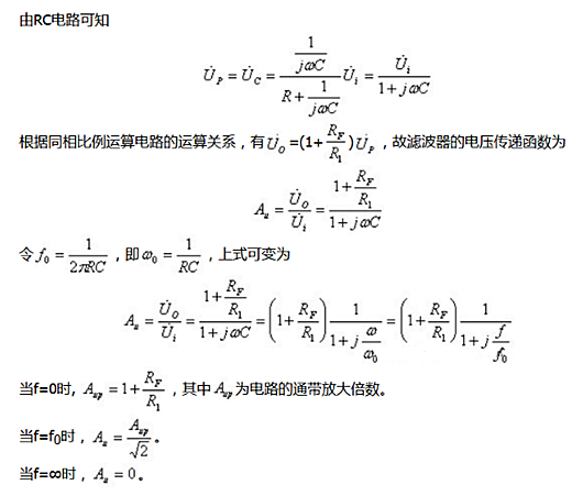
圖1 (a) 所示電路為一階有源低通濾波電路。




其幅頻特性如圖1(b)所示。
為改善濾波效果,使f≥fo時,信號衰減的更快,一般在圖1(a)所示的一階低通濾波器的基礎上再增加一級RC電路就構成二階有源低通濾波器,如圖2所示。

〈烜芯微/XXW〉專業制造二極管,三極管,MOS管,橋堆等,20年,工廠直銷省20%,上萬家電路電器生產企業選用,專業的工程師幫您穩定好每一批產品,如果您有遇到什么需要幫助解決的,可以直接聯系下方的聯系號碼或加QQ/微信,由我們的銷售經理給您精準的報價以及產品介紹

〈烜芯微/XXW〉專業制造二極管,三極管,MOS管,橋堆等,20年,工廠直銷省20%,上萬家電路電器生產企業選用,專業的工程師幫您穩定好每一批產品,如果您有遇到什么需要幫助解決的,可以直接聯系下方的聯系號碼或加QQ/微信,由我們的銷售經理給您精準的報價以及產品介紹
聯系號碼:18923864027(同微信)
QQ:709211280

