圖騰柱介紹
圖騰柱就是上下各一個三極管,上管為NPN,c極(集電極)接正電源,下管為PNP,c極(集電極)接地。兩個b極(基極)接一起,接輸入,上管和下管的e極(發射極)接到一起,接輸出,像一個"圖騰柱"。用同一信號驅動兩個b極。驅動信號為高時,NPN導通;信號為低時,PNP導通。利用兩個晶體管構成推挽輸出。 用來匹配電壓,或者提高IO口的驅動能力。
上下兩個輸出管,從直流角度看是串聯,兩管聯接處為輸出端。上管導通下管截止輸出高電平,下管導通上管截止輸出低電平,如果電路邏輯可以上下兩管均截止則輸出為高阻態。
在開關電源中,類似的電路常稱為半橋。
電路變種
一種是兩管全用NPN,但是下管通過一個反相器接到輸入,也起到同樣作用;
還有一種是下管的e接到地,兩管之間靠一個穩壓管代替負電源。
門電路的輸出極采用一個上電阻接一個NPN型晶體管的集電極,這個管子的發射極接下面管子的發射極同時輸出;下管的集電極接地。兩管的基極分別接前級的控制。由于此結構畫出的電路圖有點兒象印第安人的圖騰柱,所以叫圖騰柱式輸出(也叫圖騰式輸出)。


圖騰柱作用
一方面增加了驅動能力,另一方面,當PWM的輸出端為低電平的時候,下管為MOS的結電容提供放電回路。
圖騰柱電路應用注意問題
驅動MOS管或IGBT管,某些管子可能需要比較大的驅動電流或者灌電流,這時候就需要用到圖騰柱電路,在實際使用中,如果就按照圖中所示的電路的話,往往會因為走線電感與管子的結電容引起諧振而帶來問題。可以增加電路圖中的R1與D1加速放電,避免引起共振。


如果設備抗干擾能力較弱的話,圖騰柱電路很容易受到干擾而產生有誤動作。為了提升圖騰柱的抗干擾能力,我們可以將電路改為下圖所示。


圖騰柱驅動電路設計
圖騰柱型驅動電路的作用在于:提升電流驅動能力,迅速完成對于門極電荷的充電或者放電的過程。
當某些管子可能需要比較大的驅動電流或者灌電流,這時候就需要用到圖騰柱電路。


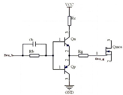
器件作用說明:
Qn:N BJT
Qp:P BJT
Qmos:待驅動NMOS
Rb:基極電阻
Cb:加速電容
Rc:集電極電阻
Rg:驅動電阻
原理分析:
左邊一個輸入驅動信號Drv_b(驅動能力很弱)通過一個圖騰柱輸出電路,從三極管的發射極公共端出來得到驅動能力(帶載能力)大大增強的信號Drv_g;從能量的角度來講,弱能量信號Drv_b通過Qn和Qp的作用,從Vcc取電(獲取能量),從而變成了攜帶高能量的Drv_g信號;在這個能量傳遞的過程中,Qn和Qp分別交替工作在截至和飽和狀態;
具體工作過程(邏輯分析)如下:
以方波為例,1代表高電平,0代表零電平,-1代表負電平;Vb表示Qn和Qp的公共基極電壓,Vqn_c表示Qn管子的集電極電壓,Vqn_be表示Qn管子基極-發射極電壓,Vqp_be表示Qp基極-發射極電壓
當輸入驅動信號Drv_b=1則Vb=1,Vqn_be=1,由于:Qn兩端有一個Vcc電壓,即Vqn_ce=1,所以,Qn管飽和導通,Qn管電流主要由集電極流向發射極,Drv_g=1,這時MOS管結電容迅速充電;(Qn管飽和導通,能量由Vcc提供驅動能力大大增強)
當輸入電壓為低電平Drv_b=0則Vb=0,Vqp_be=-1,由于MOS管上的結電容存在電壓,即Vqp_ec=1,所以,Qp管飽和導通,Qp管電流主要由發射極流向集電極,Drv_g=0;這時MOS管結電容迅速放電;(Qp管飽和導通,MOS管放電速度加快)
〈烜芯微/XXW〉專業制造二極管,三極管,MOS管,橋堆等,20年,工廠直銷省20%,上萬家電路電器生產企業選用,專業的工程師幫您穩定好每一批產品,如果您有遇到什么需要幫助解決的,可以直接聯系下方的聯系號碼或加QQ/微信,由我們的銷售經理給您精準的報價以及產品介紹
〈烜芯微/XXW〉專業制造二極管,三極管,MOS管,橋堆等,20年,工廠直銷省20%,上萬家電路電器生產企業選用,專業的工程師幫您穩定好每一批產品,如果您有遇到什么需要幫助解決的,可以直接聯系下方的聯系號碼或加QQ/微信,由我們的銷售經理給您精準的報價以及產品介紹
聯系號碼:18923864027(同微信)
QQ:709211280

