過電流保護(Over Current Protection)就是當電流超過預定最大值時,使保護裝置動作的一種保護方式。當流過被保護原件中的電流超過預先整定的某個數值時,保護裝置啟動,并用時限保證動作的選擇性,使斷路器跳閘或給出報警信號。
過電流保護(Over Current Protection)當電流超過預定最大值時,使保護裝置動作的一種保護方式。
過電流保護主要包括短路保護和過載保護兩種類型。短路保護的特點是整定電流大、瞬時動作。電磁式電流脫扣器(或繼電器)、熔斷器常用作短路保護元件。過載保護的特點是整定電流較小、反時限動作。熱繼電器、延時型電磁式電流繼電器常用作過載保護元件。
在沒有太大沖擊電流的情況下,熔斷器也常用作過載保護元件。
在TN系統中,采用熔斷器作短路保護時,熔體額定電流應小于單相短路電流的1/4;用斷路器保護時,斷路器瞬時動作或短延時動作過電流脫扣器的整定電流應小于單相短路電流的2/3。

電網中發生相間短路故障或者非正常負載增加,絕緣等級下降等情況下,電流會突然增大,電壓突然下降,過流保護就是按線路選擇性的要求,整定電流繼電器的動作電流的。當線路中故障電流達到電流繼電器的動作值時,電流繼電器動作按保護裝置選擇性的要求,有選擇性的切斷故障線路,通過其觸點啟動時間繼電器,經過預定的延時后,時間繼電器觸點閉合,將斷路器跳閘線圈接通,斷路器跳閘,故障線路被切除,同時啟動了信號繼電器,信號牌掉下,并接通燈光或音響信號。
當出現負載短路、過載或者控制電路失效等意外情況時,會引起流過穩壓器中開關三極管的電流過大,使管子功耗增大,發熱,若沒有過流保護裝置,大功率開關三極管就有可能損壞。故而在開關穩壓器中過電流保護是常用的。最經濟簡便的方法是用保險絲。由于晶體管的熱容量小,普通保險絲一般不能起到保護作用,常用的是快速熔斷保險絲。這種方法具有保護容易的優點,但是,需要根據具體開關三極管的安全工作區要求來選擇保險絲的規格。這種過流保護措施的缺點是帶來經常更換保險絲的不便。
在線性穩壓器中常用的限流保護和電流截止保護在開關穩壓器中均能應用。但是,根據開關穩壓器的特點,這種保護電路的輸出不能直接控制開關三極管,而必須使過電流保護的輸出轉換為脈沖指令,去控制調制器以保護開關三極管。為了實現過電流保護一般均需要用取樣電阻串聯在電路中,這會影響電源的效率,因此多用于小功率開關穩壓器的場合。而在大功率的開關穩壓電源中,考慮到功耗,應盡量避免取樣電阻的接入。因此,通常將過電流保護轉換為過、欠電壓保護。
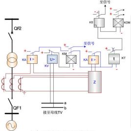
定時限過流保護動作原理
定時限過流保護,其動作時限與故障電流之間的關系表現為定時限特性,即繼電器保護動作時限與系統短路電流的數值大小無關,只要系統故障電流轉換成保護裝置中的電流,達到或超過保護的整定電流值,繼電保護就以固有的整定時限動作,使斷路器掉閘,切除故障。當主電路出現過電流時,電流繼電器3KA或4KA線圈獲電,繼電器的常開觸點閉合,使時間繼電器KT開始計時,計時結束。KT的常開觸點(延時)閉合,并接通信號繼電器2KS及跳閘線圈YA-F,從而實現斷路器掉閘。速斷保護是由電流繼電器1KA或2KA控制中間繼電器KM動作的(動作無延時),當1KA或2KA常開觸點閉合,KM線圈獲電后,KT的常開觸點閉合,并接通信號繼電器1KS及跳閘線圈YA-F,從而實現斷路器掉閘。
電流回路中,1KC、2KC為速斷保護元件,有較大的整定電流。3KC、4KC為過電流保護元件,有較小的整定電流。串接于同一電流互感器回路。在正常情況下,繼電器均流過負荷電流,由于負荷電流小于速斷保護元件和過電流保護元件的整定值,繼電器不起動,保護不動作,斷路器不跳閘。當變壓器低壓出線發生短路故障時,3KC(4KC)起動,接通時間元件KT,開始汁算時間,過電流保護元件動作順序如下:3KC(4KC)→KT(線圈)→KT延時閉合接點→2KS→2XB→YR變壓器高壓側斷路器跳閘。當變壓器高壓側發生短路故障時,速斷保護元件1KC、2KC起動,速斷保護元件動作順序如下:1KC(2KC)→KA→1KS→lXB→YR斷路器跳閘,切除故障點。
反時限過流保護動作原理
在正常情況下,lKC,2KC過流繼電器中流過經變換的負荷電流,由于該負荷電流小于繼電器的整定值,感應轉盤在負荷電流作用下勻速轉動,繼電器不動作,其常開、常閉接點不轉換,過電流脫扣器(KCT)中無電流,斷路器不跳閘。這時繼電保護起監視作用。
當變壓器低壓出線回路短路故障時,故障電流大于lKC、2KC繼電器整定值,感應過流元件也起動,經過規定的時間動作,接點轉換,其常開接點先閑合,接通了過電流脫扣器線圈,常閉接點后打開,去分流作用消失,使短路電流全部通過斷路器的過電流脫扣器,斷路器可靠掉閘。
當變壓器低壓母線短路故障時,1KC,2KC:繼電器感應過流元件起動(電磁元件不動作),經過反時限延時,接點轉換,斷路器跳閘。
當變壓器高壓側發生短路故障時,短路電流大于電磁元件和感應元件整定值,兩元件均起動,由于電磁元件動作,接點轉換使斷路器跳閘。
反時限過流保護:反時限過電流保護的動作時間是一個變數,隨短路電流大小而變,短路電流大,動作時間快,短路電流小,動作時間慢,表現為反時限特性。就是說繼電保護的動作時間與短路電流大小有關,成反比例關系。
烜芯微專業制造二極管,三極管,MOS管,橋堆等20年,工廠直銷省20%,4000家電路電器生產企業選用,專業的工程師幫您穩定好每一批產品,如果您有遇到什么需要幫助解決的,可以點擊右邊的工程師,或者點擊銷售經理給您精準的報價以及產品介紹
烜芯微專業制造二極管,三極管,MOS管,橋堆等20年,工廠直銷省20%,4000家電路電器生產企業選用,專業的工程師幫您穩定好每一批產品,如果您有遇到什么需要幫助解決的,可以點擊右邊的工程師,或者點擊銷售經理給您精準的報價以及產品介紹

