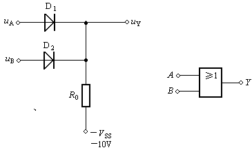
1.電路組成及符號
如圖3.10所示。UA、UB是輸入信號,它們的高電平是3V,低電平是0V。UY是輸出信號。
2.工作原理
利用估算圖3.9所示與門電路同樣的方法,可以很容易地得到如圖3.10(A)所示或門電路輸入、輸出電壓之間關系,再經過設定變量、狀態賦值即可列出邏輯真值表。


圖3.10二極管或門
1)電壓關系表
輸入、輸出電壓關系也有四種情況:(設二極管的導通電壓為0.7V)
①UA=UB=0V時,D1、D2由于正偏而導通,UY=(0-0.7)=-0.7V;
②UA=0V、UB=3V時,D2導通,D1反向偏置截止,UY=(3-0.7)=2.3V
③UA=3V、UB=0V時,D1導通,D2反向偏置截止,UY=(3-0.7)=2.3V
④UA=UB=3V時,D1、D2都正偏導通,UY=(3-0.7)=2.3V。
。
(2)真值表
若用A、B、Y分別代表UA、UB、UY,且采用正邏輯,即用0表示低電平,用1表示高電平,則可由表3.3列出或門真值表3.4(教材P43)。
由表3.4所示真值表可得Y=A+B,即圖3.10(A)所示電路實現了或運算功能,所以是一個二極管或門電路。
正與門和負或門是等同的,正或門和負與門也是等同的。
烜芯微專業制造二極管,三極管,MOS管,橋堆等20年,工廠直銷省20%,4000家電路電器生產企業選用,專業的工程師幫您穩定好每一批產品,如果您有遇到什么需要幫助解決的,可以點擊右邊的工程師,或者點擊銷售經理給您精準的報價以及產品介紹
烜芯微專業制造二極管,三極管,MOS管,橋堆等20年,工廠直銷省20%,4000家電路電器生產企業選用,專業的工程師幫您穩定好每一批產品,如果您有遇到什么需要幫助解決的,可以點擊右邊的工程師,或者點擊銷售經理給您精準的報價以及產品介紹

