本文主要講開關電源調試問題有哪些,開關電源不同于線性電源,開關電源利用的切換晶體管多半是在全開模式(飽和區)及全閉模式(截止區)之間切換,這兩個模式都有低耗散的特點,切換之間的轉換會有較高的耗散,但時間很短,因此比較節省能源,產生廢熱較少。
理想上,開關電源本身是不會消耗電能的。電壓穩壓是透過調整晶體管導通及斷路的時間來達到。相反的,線性電源在產生輸出電壓的過程中,晶體管工作在放大區,本身也會消耗電能。開關電源的高轉換效率是其一大優點,而且因為開關電源工作頻率高,可以使用小尺寸、輕重量的變壓器,因此開關電源也會比線性電源的尺寸要小,重量也會比較輕。
開關電源調試問題(一)-變壓器飽和
變壓器飽和現象
在高壓或低壓輸入下開機(包含輕載,重載,容性負載),輸出短路,動態負載,高溫等情況下,通過變壓器(和開關管)的電流呈非線性增長,當出現此現象時,電流的峰值無法預知及控制,可能導致電流過應力和因此而產生的開關管過壓而損壞。

容易產生飽和的情況:
1)變壓器感量太大;
2)圈數太少;
3)變壓器的飽和電流點比IC的最大限流點小;
4)沒有軟啟動。
解決辦法:
1)降低IC的限流點;
2)加強軟啟動,使通過變壓器的電流包絡更緩慢上升。

開關電源調試問題(二)-Vds過高
Vds的應力要求:
最惡劣條件(最高輸入電壓,負載最大,環境溫度最高,電源啟動或短路測試)下,Vds的最大值不應超過額定規格的90%
Vds降低的辦法:
1)減小平臺電壓:減小變壓器原副邊圈數比;
2)減小尖峰電壓:
a.減小漏感:
變壓器漏感在開關管開通是存儲能量是產生這個尖峰電壓的主要原因,減小漏感可以減小尖峰電壓。
b.調整吸收電路:
①使用TVS管;
②使用較慢速的二極管,其本身可以吸收一定的能量(尖峰);
③插入阻尼電阻可以使得波形更加平滑,利于減小EMI。
開關電源調試問題(三)-IC溫度過高
原因及解決辦法:
1)內部的MOSFET損耗太大:
開關損耗太大,變壓器的寄生電容太大,造成MOSFET的開通、關斷電流與Vds的交叉面積大。解決辦法:增加變壓器繞組的距離,以減小層間電容,如同繞組分多層繞制時,層間加入一層絕緣膠帶(層間絕緣) 。
2)散熱不良:
IC的很大一部分熱量依靠引腳導到PCB及其上的銅箔,應盡量增加銅箔的面積并上更多的焊錫
3)IC周圍空氣溫度太高:
IC應處于空氣流動暢順的地方,應遠離零件溫度太高的零件。
開關電源調試問題(四)-空載、輕載不能啟動
現象:
空載、輕載不能啟動,Vcc反復從啟動電壓和關斷電壓來回跳動。
原因:
空載、輕載時,Vcc繞組的感應電壓太低,而進入反復重啟動狀態。
解決辦法:
增加Vcc繞組圈數,減小Vcc限流電阻,適當加上假負載。如果增加Vcc繞組圈數,減小Vcc限流電阻后,重載時Vcc變得太高,請參照穩定Vcc的辦法。
開關電源調試問題(五)-啟動后不能加重載
原因及解決辦法:
1)Vcc在重載時過高
重載時,Vcc繞組感應電壓較高,使Vcc過高并達到IC的OVP點時,將觸發IC的過壓保護,引起無輸出。如果電壓進一步升高,超過IC的承受能力,IC將會損壞。
2)內部限流被觸發
a.限流點太低
重載、容性負載時,如果限流點太低,流過MOSFET的電流被限制而不足,使得輸出不足。解決辦法是增大限流腳電阻,提高限流點。
b.電流上升斜率太大
上升斜率太大,電流的峰值會更大,容易觸發內部限流保護。解決辦法是在不使變壓器飽和的前提下提高感量。
開關電源調試問題(六)-待機輸入功率大
現象:
Vcc在空載、輕載時不足。這種情況會造成空載、輕載時輸入功率過高,輸出紋波過大。
原因:
輸入功率過高的原因是,Vcc不足時,IC進入反復啟動狀態,頻繁的需要高壓給Vcc電容充電,造成起動電路損耗。如果啟動腳與高壓間串有電阻,此時電阻上功耗將較大,所以啟動電阻的功率等級要足夠。
電源IC未進入Burst Mode或已經進入Burst Mode,但Burst 頻率太高,開關次數太多,開關損耗過大。
解決辦法:
調節反饋參數,使得反饋速度降低。
開關電源調試問題(七)-短路功率過大
現象:
輸出短路時,輸入功率太大,Vds過高。
原因:
輸出短路時,重復脈沖多,同時開關管電流峰值很大,造成輸入功率太大過大的開關管電流在漏感上存儲過大的能量,開關管關斷時引起Vds高。
輸出短路時有兩種可能引起開關管停止工作:
1)觸發OCP這種方式可以使開關動作立即停止
a.觸發反饋腳的OCP;
b.開關動作停止;
c.Vcc下降到IC關閉電壓;
d.Vcc重新上升到IC啟動電壓,而重新啟動。
2)觸發內部限流
這種方式發生時,限制可占空比,依靠Vcc下降到UVLO下限而停止開關動作,而Vcc下降的時間較長,即開關動作維持較長時間,輸入功率將較大。
a.觸發內部限流,占空比受限;
b.Vcc下降到IC關閉電壓;
c.開關動作停止;
d.Vcc重新上升到IC啟動電壓,而重新啟動。
解決辦法:
1)減少電流脈沖數,使輸出短路時觸發反饋腳的OCP,可以使開關動作迅速停止工作,電流脈沖數將變少。這意味著短路發生時,反饋腳的電壓應該更快的上升。所以反饋腳的電容不可太大;
2)減小峰值電流。
開關電源調試問題(八)-空載,輕載輸出紋波過大
現象:
Vcc在空載或輕載時不足。
原因:
Vcc不足時,在啟動電壓(如12V)和關斷電壓(如8V)之間振蕩IC在周期較長的間歇工作,短時間提供能量到輸出,接著停止工作較長的時間,使得電容存儲的能量不足以維持輸出穩定,輸出電壓將會下降。
解決方法:
保證任何負載條件下,Vcc能夠穩定供給。
現象:
Burst Mode時,間歇工作的頻率太低,此頻率太低,輸出電容的能量不能維持穩定。
解決辦法:
在滿足待機功耗要求的條件下稍微提高間歇工作的頻率,增大輸出電容。
開關電源調試問題(九)-重載、容性負載不能啟動
現象:
輕載能夠啟動,啟動后也能夠加重載,但是重載或大容性負載情況下不能啟動。
一般設計要求:
無論重載還是容性負載(如10000uF),輸入電壓最低還是最低,20mS內,輸出電壓必須上升到穩定值。
原因及解決辦法(保證Vcc在正常工作范圍內的前提下):
下面以容性負載C=10000uF為例進行分析,
按規格要求,必須有足夠的能量使輸出在20mS內上升到穩定的輸出電壓(如5V)。
E=0.5*C*V^2
電容C越大,需要在20mS內從輸入傳輸到輸出的能量更大。


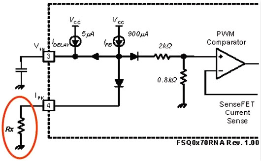
以芯片FSQ0170RNA為例如圖所示,陰影部分總面積S就是所需的能量。要增加面積S,辦法是:
1)增大峰值電流限流點I_limit,可允許流過更大電感電流Id:將與Pin4相接的電阻增大,從內部電流源Ifb分流更小,使作為電流限制參考電壓的PWM比較器正輸入端的電壓將上升,即允許更大的電流通過MOSFET/變壓器,可以提供更大的能量。
2)啟動時,增加傳遞能量的時間,即延長Vfb的上升時間(到達OCP保護點前)。

對這款FSQ0170RNA芯片,電感電流控制是以Vfb為參考電壓的,Vfb電壓的波形與電感電流的包絡成正比。控制Vfb的上升時間即可控制電感包絡的上升時間,即增加傳遞能量的時間。
IC的OCP功能是檢測Vfb達到Vsd(如6V)實現的。所以要降低Vfb斜率,就可以延長Vfb的上升時間。
輸出電壓未達到正常值時,如果反饋腳電壓Vfb已經上升到保護點,傳遞能量時間不夠。重載、容性負載啟動時,輸出電壓建立較慢,加到光耦電壓較低,通過光耦二極管的電流小,光耦光敏管高阻態(趨向關斷)的時間較長。IC內部電流源給與反饋腳相接的電容充電較快,如果Vfb在這段時間內上升到保護點(如6V),MOSFET將關斷。輸出不能達到正常值,啟動失敗。
解決辦法:
使輸出電壓達到正常值時,反饋腳電壓Vfb仍然小于保護點。使Vfb遠離保護點而緩慢上升,或延長反饋腳Vfb上升到保護點的時間,即降低Vfb的上升斜率,使輸出有足夠的時間上升到正常值。
A.增大反饋電容(C9),可以將Vfb的上升斜率降低,如圖所示,由D線變成A線。但是反饋電容太大會影響正常工作狀態,降低反饋速度,使輸出紋波變大。所以此電容不能變化太大。
B.由于A方法有不足,將一個電容(C7)串連穩壓管(D6,3.3V)并聯到反饋腳。此法不會影響正常工作,如B線所示,當Vfb<3.3V時,穩壓管不會導通,分流。上升3.3V時,穩壓管進入穩壓狀態,電容C7開始充電分流,減小后續Vfb的上升斜率。C。在431的K-A端并
聯一個電容(C11),電源啟動時,C11電壓較低,并由光耦二極管和431的偏置電阻R10進行充電。這樣光耦就有較大電流通過,使光耦光敏管阻抗較低而分流,Vfb將緩慢上升,如C線所示。R10×C11影響充電時間,也就影響輸出的上升時間。
開關電源調試問題(十)-空載、輕載輸出反跳
現象:
在輸出空載或輕載時,關閉輸入電壓,輸出(如5V)可能會出現如下圖所示的電壓反跳的波形。

原因:
輸入關掉時,5V輸出將會下降,Vcc也跟著下降,IC停止工作,但是空載或輕載時,巨大的PC電源大電容電壓并不能快速下降,仍然能夠給高壓啟動腳提供較大的電流使得IC重新啟動,5V又重新輸出,反跳。
解決方法:
在啟動腳串入較大的限流電阻,使得大電容電壓下降到仍然比較高的時候也不足以提供足夠的啟動電流給IC。
將啟動接到整流橋前,啟動不受大電容電壓影響。輸入電壓關斷時,啟動腳電壓能夠迅速下降。
開關電源的工作條件
1、開關:電力電子器件工作在開關狀態而不是線性狀態。
2、高頻:電力電子器件工作在高頻而不是接近工頻的低頻。
3、直流:開關電源輸出的是直流而不是交流。關電源調試問題(10大問題匯總與解決方法詳解)
烜芯微專業制造二極管,三極管,MOS管,橋堆等20年,工廠直銷省20%,1500家電路電器生產企業選用,專業的工程師幫您穩定好每一批產品,如果您有遇到什么需要幫助解決的,可以點擊右邊的工程師,或者點擊銷售經理給您精準的報價以及產品介紹

