MOS管的作用
1.MOS管可應用于放大。由于場效應管放大器的輸入阻抗很高,因此耦合電容可以容量較小,不必使用電解電容器。
2.MOS管很高的輸入阻抗非常適合作阻抗變換。常用于多級放大器的輸入級作阻抗變換。
3.MOS管可以用作可變電阻。
4.MOS管可以方便地用作恒流源。
5.MOS管可以用作電子開關。
如何為MOS管選擇最適合的驅動電路?
在開關電源等電力系統設計中,設計人員關心最多的是MOS管的幾個參數,如導通電阻、最大電壓、最大電流。這些因素固然重要,考慮不妥會使電路無法正常工作,但實際上這只完成了第一步,MOS管本身的寄生參數才是影響電路西能的關鍵。
選擇了一個適合的MOS管、電源IC,說明你是一個合格的采購工程師。如何用好這只管子,就需要對驅動電路進行優化,包括驅動腳輸出的峰值電流、上升速率等,因為這些將直接影響MOS管的開關性能。

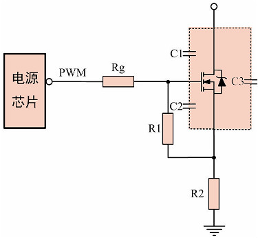
用電源IC直接驅動MOS管
一個好的MOS管驅動電路有以下幾點要求:
(1)開關管開通瞬時,驅動電路應能提供足夠大的充電電流,使MOS管柵源極間電壓迅速上升到所需值,保證開關管能快速開通且不存在上升沿的高頻振蕩。
(2)開關導通期間,驅動電路能保證MOS管柵源極間電壓保持穩定,且可靠導通。
(3)關斷瞬間驅動電路,能提供一個盡可能低阻抗的通路,供MOS管柵源極間電容電壓的快速泄放,保證開關管能快速關斷。
(4)驅動電路結構簡單可靠、損耗小。
(5)根據情況進行隔離。
在模塊電源中,做常用的是電源IC直接驅動MOS管。使用中,應該注意最大驅動峰值電流、MOS管的寄生電容兩個參數。這里,電源IC的驅動能力、MOS寄生電容大小、驅動電阻阻值都將影響MOS管開關速度。如果選擇MOS管寄生電容比較大,電源IC內部的驅動能力又不足時,需要在驅動電路上增強驅動能力,常使用圖騰柱電路增加電源IC驅動能力。
該電路雖然簡單,可以此改進并發展出很多其它形式的驅動電路。目前,各種各樣的MOS管驅動電路并沒有一種驅動電路是最好的,需要用戶根據具體應用,結合MOS管廠商提供的用戶手冊,不斷對電路及參數進行優化,打磨出最合適自己應用的驅動方案來。
MOS管的特點
(1)場效應管是電壓控制器件,它通過VGS(柵源電壓)來控制ID(漏極電流);
(2)場效應管的控制輸入端電流極小,因此它的輸入電阻(107~1012Ω)很大。
(3)它是利用多數載流子導電,因此它的溫度穩定性較好;
(4)它組成的放大電路的電壓放大系數要小于三極管組成放大電路的電壓放大系數;
(5)場效應管的抗輻射能力強;
(6)由于它不存在雜亂運動的電子擴散引起的散粒噪聲,所以噪聲低。
烜芯微專業制造二極管,三極管,MOS管,橋堆等20年,工廠直銷省20%,1500家電路電器生產企業選用,專業的工程師幫您穩定好每一批產品,如果您有遇到什么需要幫助解決的,可以點擊右邊的工程師,或者點擊銷售經理給您精準的報價以及產品介紹
烜芯微專業制造二極管,三極管,MOS管,橋堆等20年,工廠直銷省20%,1500家電路電器生產企業選用,專業的工程師幫您穩定好每一批產品,如果您有遇到什么需要幫助解決的,可以點擊右邊的工程師,或者點擊銷售經理給您精準的報價以及產品介紹

